| |
|---|---|
| (点击题目可以在互联网中搜索该题目的相关内容) 日期:2006-9-13 22:57:25 来源:工控博客_黑世暗火 作者: 点击: | |
|
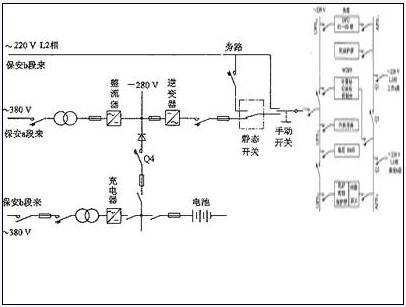
摘要:现代大型发电机组采用了复杂的计算机监控和安全保护系统,其交流220V电源要求稳定可靠,分秒不停。应运而生的不间断电源(简称UPS),满足了这种“苛刻”负载严格的需求,消除了电网电压瞬变波动对重要负载的影响。 关键词:UPS电源 现代大型发电机组采用了复杂的计算机监控和安全保护系统,其交流220V电源要求稳定可靠,分秒不停。应运而生的不间断电源(简称UPS),满足了这种“苛刻”负载严格的需求,消除了电网电压瞬变波动对重要负载的影响。 UPS电源对机组的安全稳定运行至关重要,UPS停电意味着停机停炉。如何提高UPS的可靠性,是现场技术人员经常思考的一个问题。 本文仅就黄埔发电厂5号、6号300MW机组UPS系统外围相关设备的规划、配置、选型及安装、调试、运行、维护方面多年来遇到的一些问题,进行分析研究,与同行交流切磋。 1 系统简况 UPS系统是一个多路电源输入的低压多端网络。网络的核心设备逆变器和静态开关等,是一套电子元件自动控制的电力装置。黄埔发电厂300MW机组UPS系统如图1。 ![]() 点击此处查看全部新闻图片 图1 黄埔发电厂300 MW机组UPS系统 原设计主要设备技术规范为: a)整流器 输入参数——AC 380V,三相,50Hz,126A; 输出参数——DC 280V。 b)逆变器 输入参数——DC 210~280V,245A; 输出参数——AC 220V,50Hz,227A,50kVA; c)充电器 输入参数——AC 380V,三相,50 Hz; 输出参数——DC 160~310 V,250 A,65 kW。 2 系统电源的规划配置 2.1 电源配置分析 交流电源的取向,是UPS系统规划设计中的重要一环。 探索最佳方案,不妨从原理上进一步考究。电池的充电器与逆变前的整流器,同是三相半控桥,其功能是相似的。整流器承担着UPS的经常性负荷。充电器给电池浮充电,且与电池并列作为整流器的后备。旁路电源则是逆变器的后备。APS接带了部分热控次要负荷,并作为UPS的后备。据此,可以得出UPS系统电源配置的一般原则: a)整流器与充电器的电源应分别接至不同母线; b)旁路与整流器电源分开接不同母线; c)APS与旁路电源也应错开接不同母线。图1中的5路交流电源仅取自3段母线,其中的3路电源均来自保安b段。当UPS装置故障、逆变器检修或厂用电系统发生事故,在UPS装置静态开关已切换至旁路运行情况下,一旦保安b段失压,UPS母线和APS2母线均失电,WDPF和BMS控制系统就瘫痪了。 分析黄埔发电厂300 MW机组厂用电接线,2号及0号低压厂用变压器同接6 kV B段,6 kV A段失压时,0号变压器还可以自投为1号变压器所接的工作a段、保安a段供电,380 V工作a段及保安a段优胜于工作b段及保安b段。 鉴此,在减少改动的前提下,图1的电源配置还可以进一步调整: a)充电器改接至工作b段; b)APS2改接至保安a段。 电厂机组设有工作、备用高压厂用变压器及多台低压厂用变压器,还有柴油机或保安备用变压器,将UPS和APS的多路电源不重复地更合理地接至本机组不同的变压器和不同的低压母线,是可以办到的。机组事故解列后可能出现不同电源系统的频率不等,为了防止静态开关因不同步不能切换,或UPS与APS的切换因不同步而失败,这些电源应接入本机组同网络低压系统,而不宜接入公用系统或其它机组系统。 2.2 旁路及APS电源的相位 逆变器输出的单相交流电压与旁路电源的单相交流电压应该同步,才能并列转换。不论旁路取自交流的那一相,逆变器都可以调整输出电压,与旁路电压同频同相。 机组WDPF控制系统的DPU柜及计算、存储、记录站等电子设备由双电源供电,如图2所示。这是可控硅反向并联而成的二进一出的三端网络,UPS优先供电。UPS母线失压或欠压至一定值时,控制回路触发APS侧的双向可控硅,使其交替导通,并关断UPS侧的可控硅,由APS继续供电。这时的切换是先并后切,UPS电压正常后的自动回切也是先并后切。显然,在电压的相位和频率上,若UPS旁路侧与APS侧不一致,转换瞬间将短路或因差压大而产生很大的冲击电流,导致站内掉电及元件损坏。 |
|
| 上一篇: 可编程逻辑控制器PLC在电厂中的应用 下一篇: 西门子产品在垃圾焚烧发电厂控制系统中的应用 |
