| |
|---|---|
| (点击题目可以 在互联 网中搜索该题 目的相关内容) 日期:2006-11-6 0:42:39 来源:PLC之家 作者: 点击: | |
|
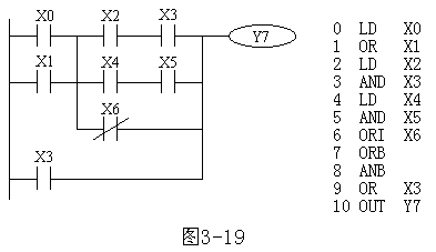
FX系列PLC有基本逻辑指令20或27条、步进指令2条、功能指令100多条(不同系列有所不同)。本节以FX2N为例,介绍其基本逻辑指令和步进指令及其应用。 FX2N的共有27条基本逻辑指令,其中包含了有些子系列PLC的20条基本逻辑指令。 块操作指令(ORB / ANB) (1)ORB(块或指令) 用于两个或两个以上的触点串联连接的电路之间的并联。ORB指令的使用如图1所示。
图1 ORB指令的使用 ORB指令的使用说明: 1)几个串联电路块并联连接时,每个串联电路块开始时应该用LD或LDI指令; 2)有多个电路块并联回路,如对每个电路块使用ORB指令,则并联的电路块数量没有限制; 3)ORB指令也可以连续使用,但这种程序写法不推荐使用,LD或LDI指令的使用次数不得超过8次,也就是ORB只能连续使用8次以下。 (2)ANB(块与指令) 用于两个或两个以上触点并联连接的电路之间的串联。ANB指令的使用说明如图2所示。
图2 ANB指令的使用 ANB指令的使用说明: 1)并联电路块串联连接时,并联电路块的开始均用LD或LDI指令; 2)多个并联回路块连接按顺序和前面的回路串联时,ANB指令的使用次数没有限制。也可连续使用ANB,但与ORB一样,使用次数在8次以下。 |
|
| 上一篇: 三菱FX系列PLC触点并联指令(OR/ORI/ORP/ORF) 下一篇: 外部I/0设备指令(FNC70~FNC79) |

