| |
|---|---|
| (点击题目可以在互联网中搜索该题目的相关内容) 日期:2006-11-6 0:42:39 来源:PLC之家 作者: 点击: | |
|
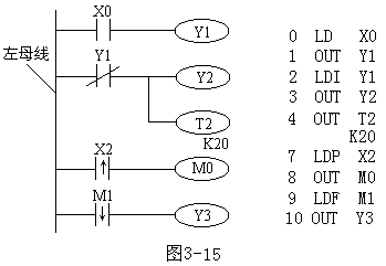
FX系列PLC有基本逻辑指令20或27条、步进指令2条、功能指令100多条(不同系列有所不同)。本节以FX2N为例,介绍其基本逻辑指令和步进指令及其应用。 FX2N的共有27条基本逻辑指令,其中包含了有些子系列PLC的20条基本逻辑指令。 取指令与输出指令(LD/LDI/LDP/LDF/OUT) (1)LD(取指令) 一个常开触点与左母线连接的指令,每一个以常开触点开始的逻辑行都用此指令。 (2)LDI(取反指令) 一个常闭触点与左母线连接指令,每一个以常闭触点开始的逻辑行都用此指令。 (3)LDP(取上升沿指令) 与左母线连接的常开触点的上升沿检测指令,仅在指定位元件的上升沿(由OFF→ON)时接通一个扫描周期。 (4)LDF(取下降沿指令) 与左母线连接的常闭触点的下降沿检测指令。 (5)OUT(输出指令) 对线圈进行驱动的指令,也称为输出指令。 取指令与输出指令的使用如图1所示。
图1 取指令与输出指令的使用 取指令与输出指令的使用说明: 1)LD、LDI指令既可用于输入左母线相连的触点,也可与ANB、ORB指令配合实现块逻辑运算; 2)LDP、LDF指令仅在对应元件有效时维持一个扫描周期的接通。图3-15中,当M1有一个下降沿时,则Y3只有一个扫描周期为ON。 3)LD、LDI、LDP、LDF指令的目标元件为X 、Y 、M 、T、C、S; 4)OUT指令可以连续使用若干次(相当于线圈并联),对于定时器和计数器,在OUT指令之后应设置常数K或数据寄存器。 5)OUT指令目标元件为Y、M、T、C和S,但不能用于X。 | |
| 上一篇: 三菱FX系列PLC输入继电器(X) 下一篇: 三菱FX系列PLC触点串联指令(AND/ANI/ANDP/ANDF) |
